+90 (532) 3454986   |    [email protected]
Ara
Drg Elektrik Motorları , Elektrik motoru toptan satışı , elektrik motoru ana bayii , Elektrik Motoru Fiyatları
  • Ana Sayfa
  • Kurumsal
  • Ürünler
    • Elektrik Motorları IE4
    • Elektrik Motorları IE3
    • Yüksek Verimli Elektrik Motorları
  • Fotoğraflar
    • Foto Galerisi - Yüksek Verimli Elektrik Motorları
  • Videolar
    • DRG Elektrik Motorları Video
  • Teknik Katalog
  • Blog
  • SSS
  • İletişim

Teknik Katalog

  1. Home
  2. Teknik Katalog

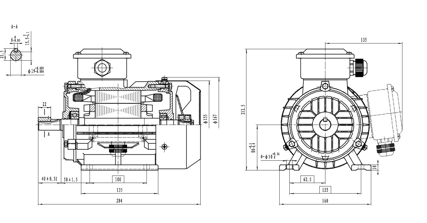
DRG Makina Teknik Çizimler

DRG Makina Teknik Çizimler
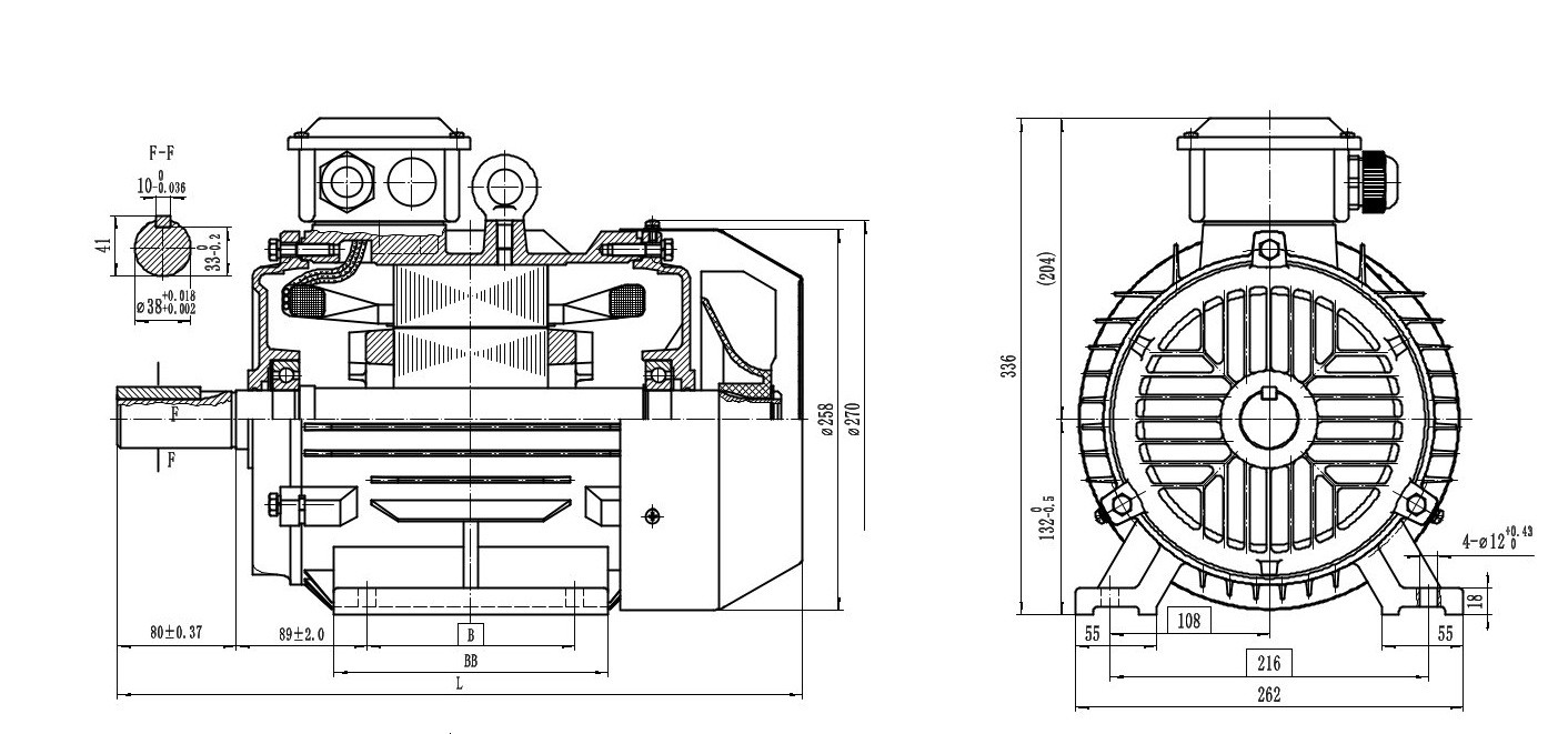
YE3-355ML-4-8,B3,shaft 100
YE3-355ML-4-8,B5,shaft 100
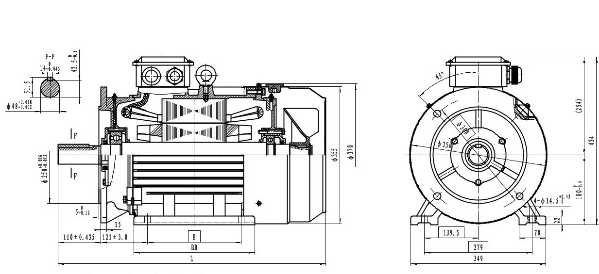
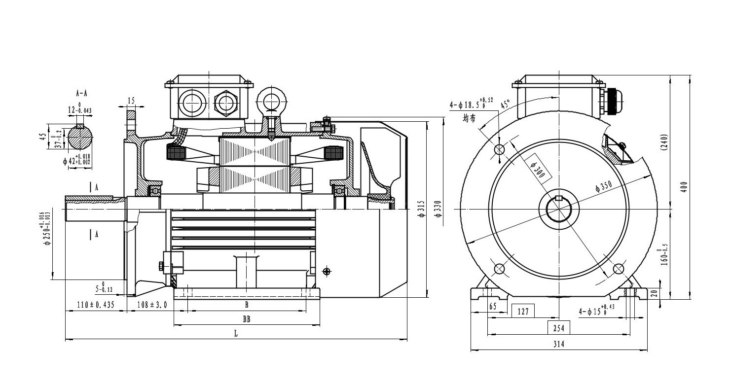
YE3-315L-4-8,  B3, shaft 85
YE3-315ML-4-8,B5,shaft  85
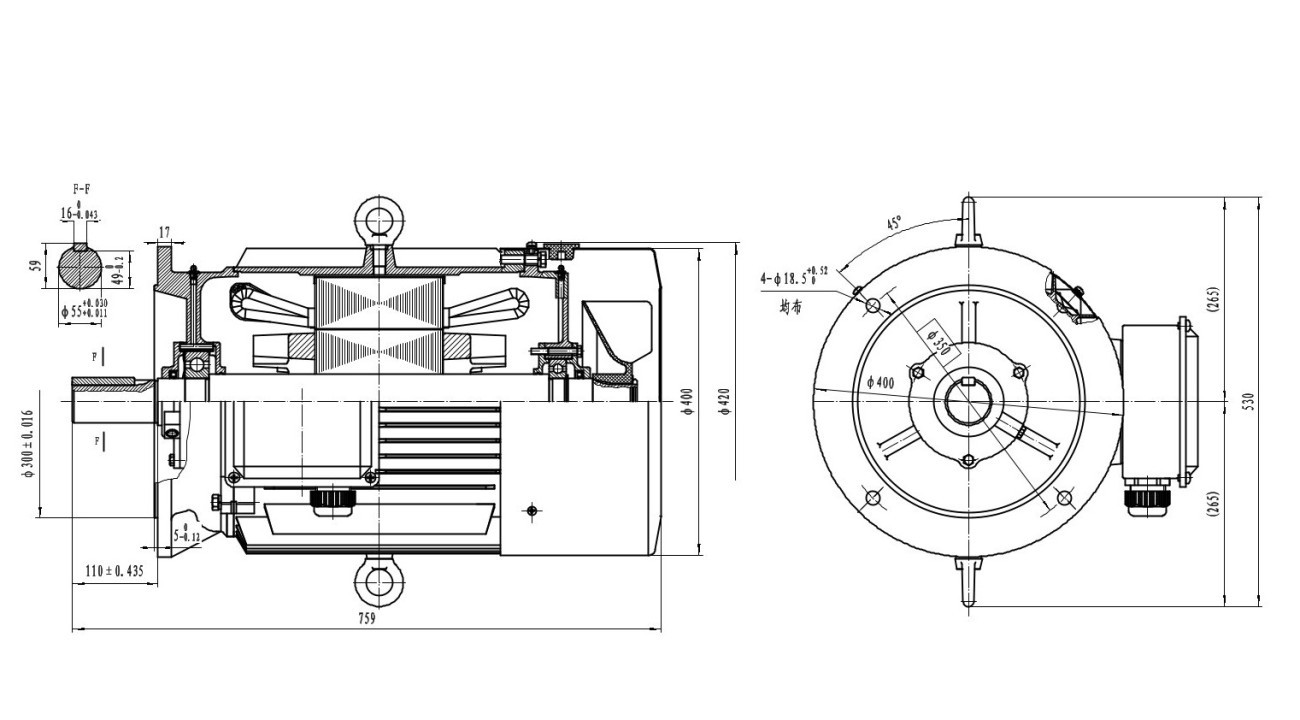
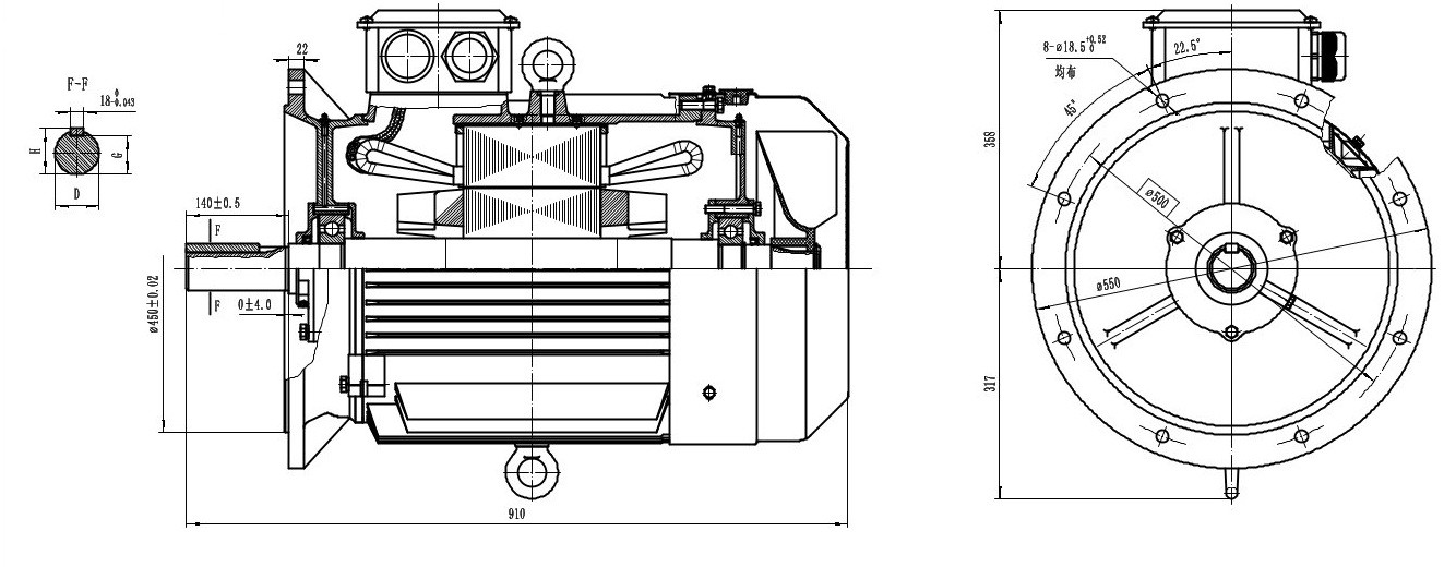
YE3-355-4-8,B35, shaft 100
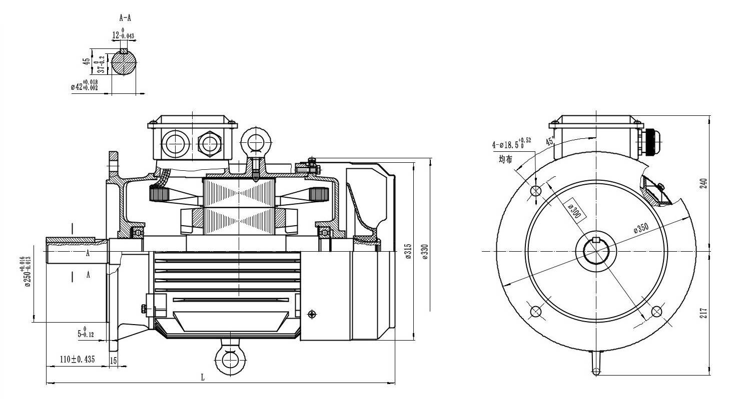
YE3-315ML-4-8,B35,shaft 85
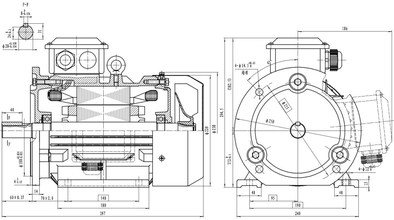
80 Son Montaj Çizimi B35 IP55 (Üstten Çıkış Kablosu)
100 Genel Kurul Çizimi B3
112 Genel Kurul Çizimi B35 Üst Anahat
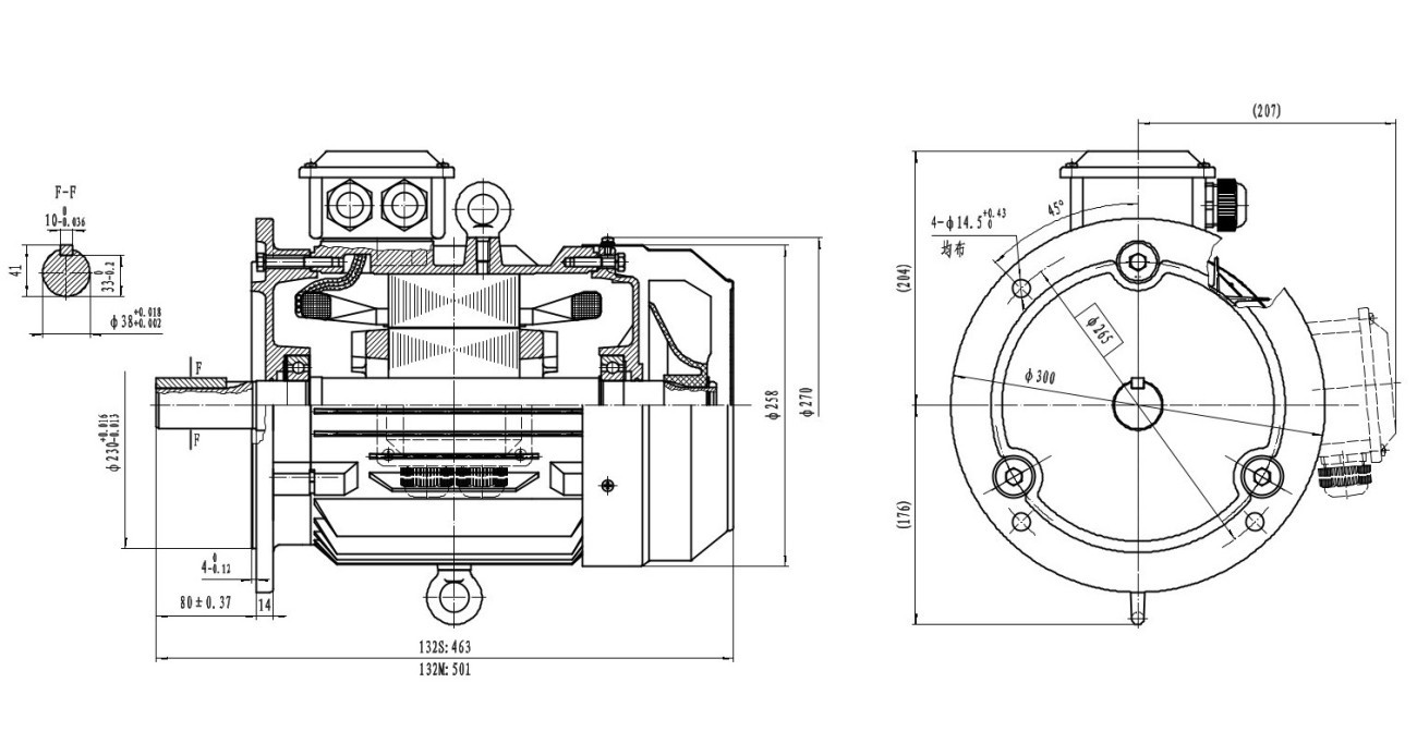
132 Genel Montaj Çizimi B3 (IP55) Üst Anahat
160 Montaj Çizimi B5 Üst Anahat
180 Genel Montaj Çizimi B3 (IP55) Üst Anahat
180 Genel Montaj Çizimi B35 (IP55) Üst Anahat
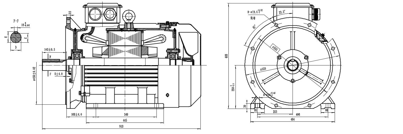
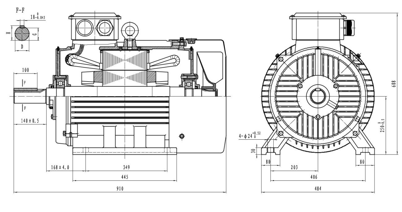
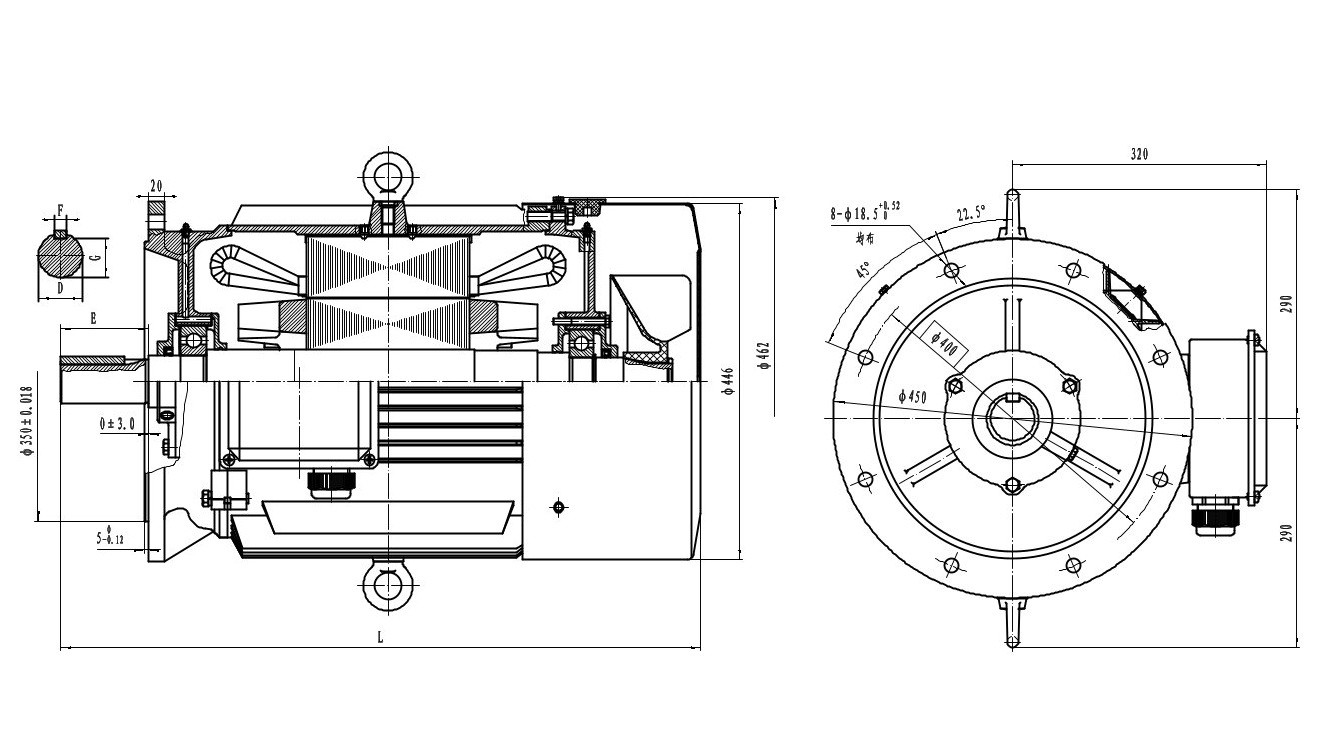
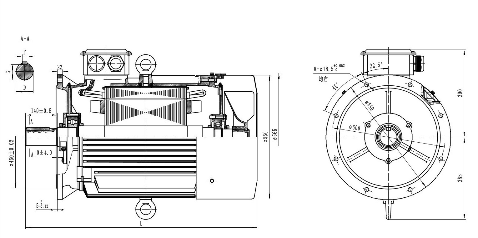
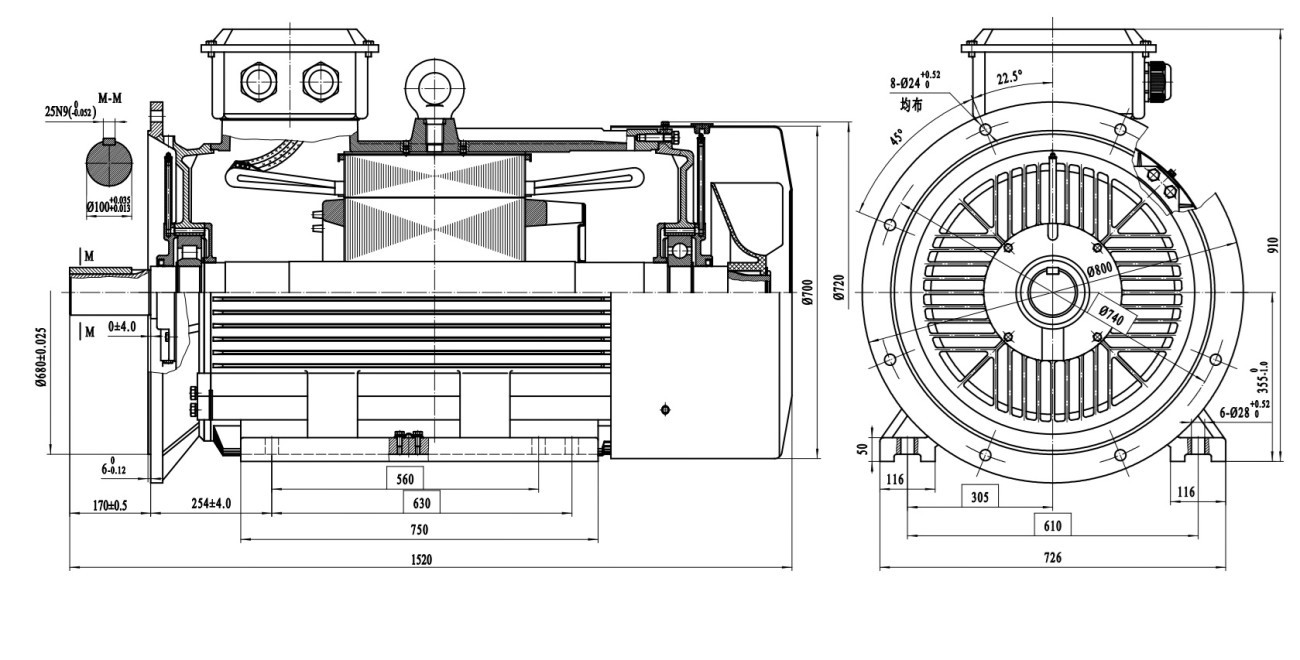
200 Genel Kurul Çizimi B35 (Yatay) IP55
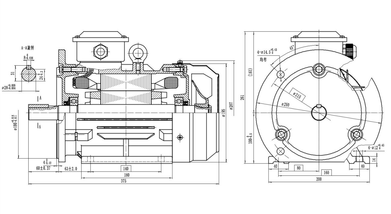
80 Son Montaj Çizimi B3 (Üst ve Yan Kısımlar Birleştirilmiş)
80 Son Montaj Çizimi B5 (Üst ve Yan Kısımlar Birleştirilmiş)
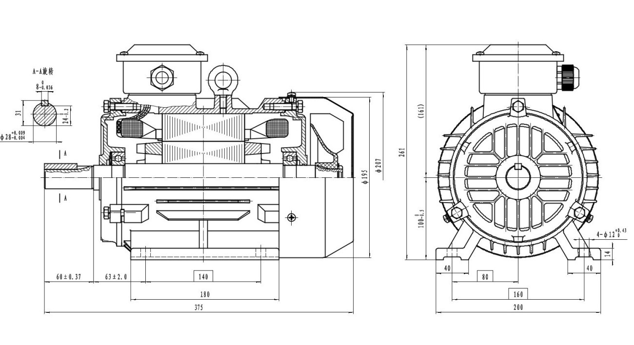
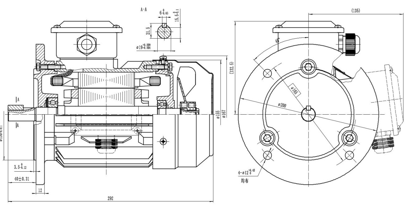
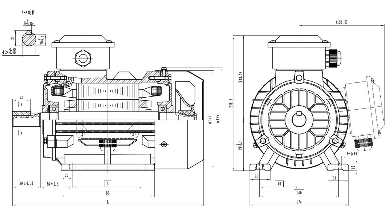
90 Son Montaj Çizimi B3 (Üst ve Yan Kısımlar Birleştirilmiş)
90 Son Montaj Çizimi B5 (Üst ve Yan Kısımlar Birleştirilmiş)
90 Son Montaj Çizimi B35 (Üst ve Yan Kısımlar Birleştirilmiş)
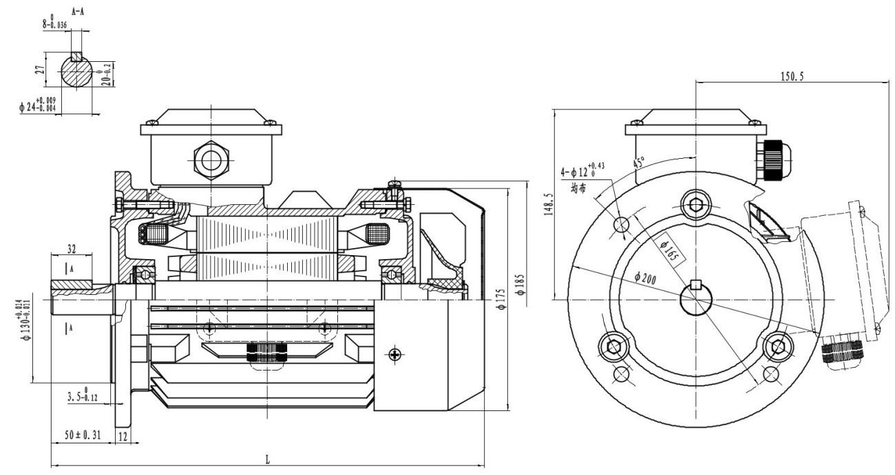
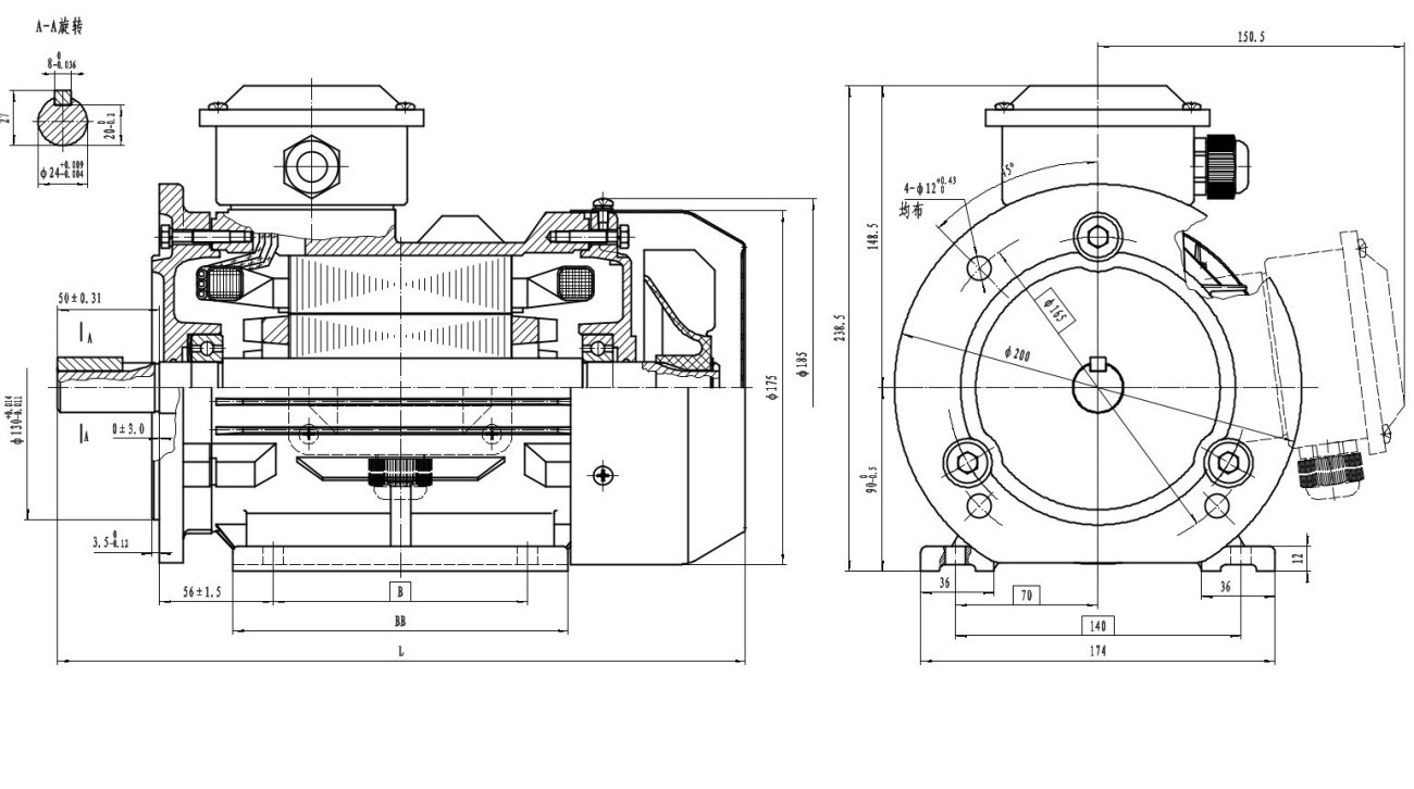
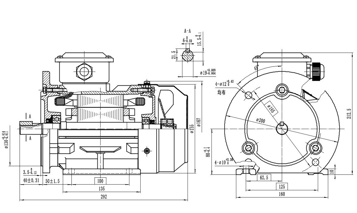
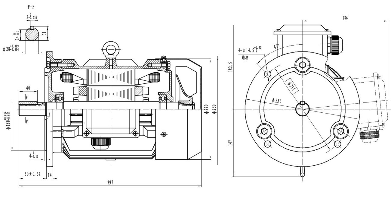
100L Montaj Çizimi B5 (Üst Kontur)
100 Son Montaj Çizimi B35 IP55 (Üstten Çıkış Kablosu)
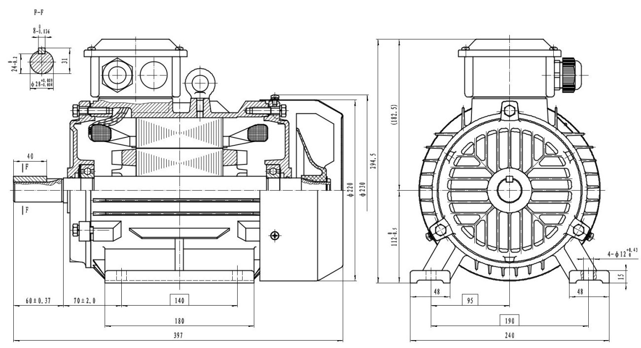
112M-4 Montaj Çizimi B3 Üst Anahat
112 Genel Kurul Çizimi B5
132 Genel Montaj Çizimi B5 Üst ve Yan Entegrasyon
160 Genel Montaj Çizimi B35 (IP55) Üst Anahat
132 Genel Montaj Çizimi B35 (IP55) Üst Anahat
180 Genel Montaj Çizimi B5 Üst ve Yan Entegrasyon
200 Genel Montaj Çizimi B3 (IP55) Üst Anahat
160M L B3 üst çıkış hattı
200 Genel Montaj Çizimi B35 (IP55) Üst Anahat
200 Genel Montaj Çizimi B5 (IP55) Yan Çıkış Kablosu
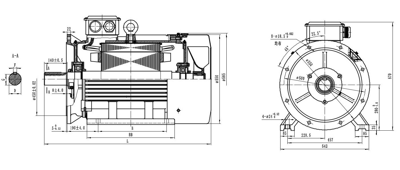
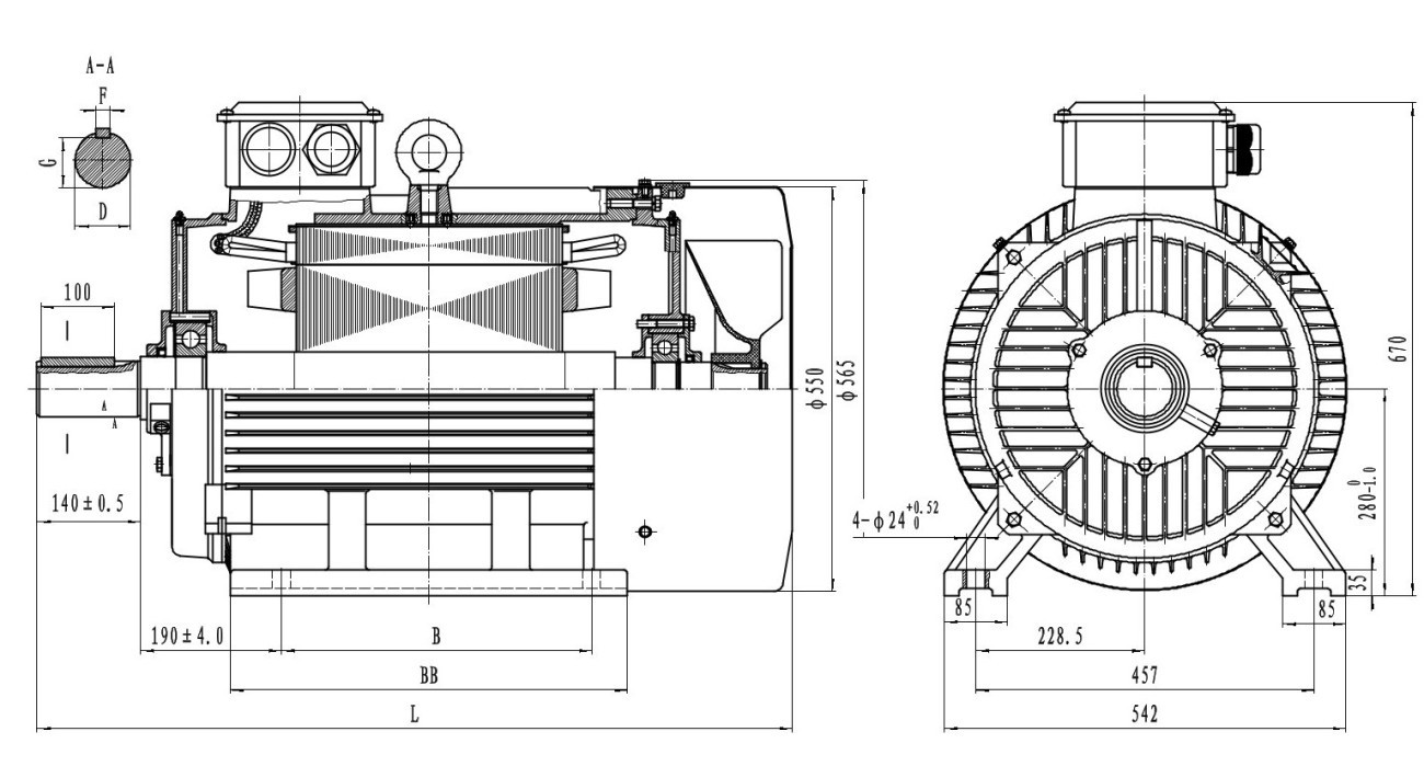
225 Genel Kurul Çizimi B3 (Yatay) IP55
225 Genel Kurul Çizimi B5 (Yatay) IP55
(250 Montaj Çizimi B5 (Dikey Üst) IP55)
(250 Montaj Çizimi B3 (IP55) Üst Anahat)
(250 Montaj Çizimi B35 (Yatay Üst) IP55)
(280 UzunKısa Montaj Çizimi B35 (Yatay Üst) IP55)
(280 Montaj Çizimi B3 (IP55) Üst Anahat)
(280-2.4.6.8P Montaj Çizimi B5 (Dikey Üst) IP55)
Paylaş

İletişim Bilgileri

Adres
 Fabrika : Karacaağaç, Yolüstü Mevkii Sk. No:91, 35390 Buca/İzmir
Fabrika
 Havaalanı Kısıkköy Ana Yolu 7.km Menderes İzmir

Bize Ulaşın
 +90 (542)6661111

E-posta
 [email protected]

Firmamız

  • Hakkımızda
  • Gizlilik ve KVVK
  • Hizmet Şartları
  • İletişim

Linkler

  • Ürünler
  • Fotoğraflar
  • Videolar
  • SSS
  • Blog

Güncel Haberler

Bültenimize Abone Olun

© 2026 Tüm Hakları Saklıdır . Drg Elektrik Motorları , Elektrik motoru toptan satışı , elektrik motoru ana bayii , Elektrik Motoru Fiyatları